转速信号倍增器

转速信号增倍器 – ProLine – P16800

 

 

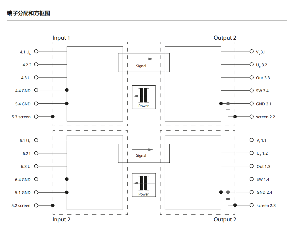
用于转速传感器的信号倍增。该装置按照 EN 50129 (SIL 4) 标准,以功能安全且免干扰的方式将来自单通道或双通道速度传感器的信号解耦。从输入到输出之间的脉冲按1:1 比例传输,这意味着频率和相位关系均保持不变。对旋转编码器信号的传输同样以功能安全的方式按照 EN 50129 (SIL 2) 标准进行,此外,P16800 在该过程中还将对信号实施电气隔离。对于相连接的控制器,P16800 的输出则类似于旋转编码器。与旋转编码器一样,P16800也通过所连接的控制器获得供电。

如有需要,可以将信号从一个电流信号转换为一个电压信号,或者从一个电压信号转为一个电流信号。另外,还可选择以 2:1、4:1 或 8:1 的比例降低相对于输入端的输出端频率。在轨道车辆上加装需要运用速度信息的控制器时,使用 P16800 能够简化这一操作或者使此类加装成为可能。同时,在新车上也可以减少速度传感器的数量,从而优化购置和维护成本。

联系我们
公司品牌
社交媒体
商城
搜索

苏州博莱柯智能科技有限公司
地址:苏州市姑苏区南阳里26号
电话:0512-80197319
邮箱:service@transferx.cn